PT 418 - Melt pressure sensor in a design with a fixed stem
PT 419 - Melt pressure sensor in a design with a flexible capillary
TPT 419 - Melt pressure sensor in combined design with temperature sensor
PT 418 Melt pressure sensors series
Standard process connection of 1 / 2-20 UNF sensor with diaphragm cover.
Sensor terminal and compatible cable connector
Adjusting screws - used to adjust the zero and upper range of the sensor
Inquiry system
Configure your own product according to your requirements and needs. If you are unsure of the configuration, provide us in the notes the necessary information about the existing sensor or product, even a competitor. We will be happy to help you find an alternative Dynisco product. If your request is urgent, let us know. We will do our best to help you resolve this situation to your satisfaction as quickly as possible. If we have all the information, we are able to offer a model with minor differences, which is in stock and you can have another product available the next day.
If you need more information do not hesitate to contact us.
Dynisco Configuration Code:
High Accuracy, Simple Installation, Repeatability and Reliability
Our pressure sensors offer efficient, accurate, and durable solutions for reliable and safe pressure measurement. These sensors are used in a variety of industrial areas, where they monitor and measure the pressure of molten materials, ensuring optimal operation of production processes. Due to their resistance to high temperatures and pressures, which are typical for these applications, they represent a suitable choice for diverse uses. When selecting a sensor, it is important to consider the specific requirements of your application, such as temperature range, pressure range, and materials with which the sensor will interact. The correct choice of sensor guarantees reliable and accurate results and a long service life of the device without any problems. Installing the sensor into the mounting hole of the production line is simple.
PT460E Pressure Sensors - With rigid stem

Rigid Stem pressure sensors are easily installed into the mounting hole of the production line, ensuring a simple and robust design that is suitable for applications where the sensor is not exposed to radiant heat from the line and the electronics are not subjected to extreme temperatures. We do not recommend installing these sensors in a vertical position above the line (12 o'clock position), as radiant heat can negatively affect the sensor's electronics lifespan. In such cases, we recommend using a sensor design with a flexible capillary, which allows the electronics to be diverted away from the radiant heat, ensuring a long sensor life. The main advantages of this type of sensor include resistance to impacts and vibrations, enabling them to withstand mechanical stress, which increases their lifespan and reduces the need for maintenance. They also feature high accuracy, ensured by quality materials and advanced measurement technology, which is crucial for efficient process control.
PT419 Pressure Sensors - With rigid stem and flexible capillary

Pressure sensors with flexible capillaries represent a professional solution suitable for applications with limited space or exposure to radiant heat from heating elements in production lines. Thanks to the thoughtful extended design, the sensor's electronics are located out of reach of the radiant heat source, reducing the risk of damage.
The flexible capillary is designed to be resistant to damage and allow a high degree of bending, which facilitates installation and handling of the sensor. It is essential to properly secure the sensor head to the included adapter, which is part of the package. To achieve optimal performance, we recommend placing the adapter on a part of the machine where unwanted vibrations or shocks do not occur, as these could negatively affect the sensor.
The length of the rod and flexible capillary can be customized according to individual needs, as well as other optional components. This ensures maximum flexibility in integrating the sensor into a wide range of industrial applications.
TPT419 Pressure Sensors - Combined sensor with rigid stem, flexible capillary and built-in temperature sensor

Combined pressure sensors with flexible capillaries represent a professional solution suitable for applications with limited space or exposure to radiant heat from heating elements in production lines. Thanks to the thoughtful extended design, the sensor's electronics are located out of reach of the radiant heat source, reducing the risk of damage.
Additionally, these sensors are equipped with a temperature sensor, allowing the customer to choose the type of sensor, whether it is a type J, K thermocouple, or an RTD (pt100). By selecting a compatible sensor for temperature measurement, the customer obtains information about the melt temperature from a single process connection, increasing measurement efficiency and accuracy.
The flexible capillary is designed to be resistant to damage and allow a high degree of bending, which facilitates installation and handling of the sensor. It is essential to properly secure the sensor head to the included adapter, which is part of the package. To achieve optimal performance, we recommend placing the adapter on a part of the machine where unwanted vibrations or shocks do not occur, as these could negatively affect the sensor.
The length of the rod and flexible capillary can be customized according to individual needs, as well as other optional components. This ensures maximum flexibility in integrating the sensor into a wide range of industrial applications.
Performance Characteristics
| Outputs: |
3.33 mV/V ± 2.0% |
| Input Voltage: |
10 Vdc recommended, 12 Vdc maximum |
| Combined Error: |
±0.5% FSO, (Including Linearity, Repeatability & Hysteresis) |
| Repeatability: |
±0.2% FSO |
| Configuration: |
Four-arm bonded foil Wheatstone bridge strain gage |
| Bridge Resistance: |
Input: 345 Ohms minimum Output: 350 Ohms ± 10% |
| Over Pressure: |
2X FSO or 35,000 psi, (whichever is less) |
| Zero Balance Adjustment Range: |
±10% full scale |
| Insulation Resistance: |
1000 megohms @ 50 Vdc |
| Internal Shunt Calibration (R-Cal): |
80% FSO ±1.0% |
Temperature & Mechanical Characteristics
| Max Diaphragm Temperature: |
527ºF (275ºC) |
| Zero Shift (due to temperature change): |
36 psi/100ºF Typical (65 psi/100ºC) |
| Electronics Operating Temperature: |
250ºF (121ºC) |
| Zero Shift (due to temperature change): |
± 0.05% FS/ºF max (± 0.1% FS/ºC max) |
| Span Shift (due to temperature change): |
± 0.02% FS/ºF max (± 0.04% FS/ºC max) |
| Mounting Torque: |
500 inch/lbs. max |
| Standard Wetted Parts: |
Dymax® coated 15-5 PH SST |
Ordering Guide for PT418 | PT419 | TPT419 (Oil) Series
PT418 - Dimensions
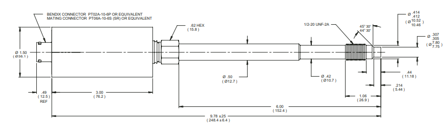
All dimensions are inches (mm) unless otherwise specified.

PT419 - Dimensions
All dimensions are inches (mm) unless otherwise specified.

TPT419 - Dimensions
All dimensions are inches (mm) unless otherwise specified.

Torque wrench Wera 075611 Click-Torque B 2 with switch ratchet 3/8 "(20 - 100 Nm)
Wera Click-Torque torque wrenches are supplied as switch ratchets (with connection dimensions 1/4 ", 3/8", 1/2 "and 3/4") or with clamping for socket tools (9x12 mm, 14x18 mm) for tightening torques from 2.5 Nm up to 1,000 Nm.
All Wera Click-Torque torque wrenches manufactured in accordance with DIN EN ISO 6789 are supplied with a declaration of conformity.
Installation of transducers into improperly cleaned or sized holes is one of the major causes of damage to these instruments. With this kit, the .312" tip diameter hole, the 45 degree seating surface, and the .451" hole can be cleaned. The kit includes a gauging plug which is used to verify that the hole has been correctly machined and cleaned. M10 and M18 cleaning kits also available.
The Dynisco Transducer Mounting Hole Machining Tool Kit contains all of the necessary drills and taps to prepare a standard 1/2 - 20 UNF transducer mounting hole and the 45 degree seat. All tools included in this kit are made of premium grade, high strength tool steel. Care should be taken in the use of proper speeds and feeds, lubricants, and a method to assure continual alignment of each progressing tool. M10 and M18 kits are also available.
The 1480 is a Universal Pressure or Temperature Input Indicator with single or dual configurable alarms, as well as optional linear retransmission of displayed Process Variable. Ideal for use in Extrusion applications.
The 1490 is a Universal Input Indicator with single or dual configurable alarms, optional linear retransmission of Process Variable, Transmitter power supply option as well as optional Modbus communications.
The UPR900 is a compact 1/4 DIN process indicator. The UPR900 can display your choice of engineering units related to a selectable range of input types. Add an optional secondary input for an all-in-one display of polymer melt pressure and temperature. The secondary input can be strain gauge to indicate differential pressure measurement. The UPR900 includes two standard assignable alarms with the option to add a 3rd.
The ATC990 with a graphical/text LCD display is a universal input process controller with advanced functionality including Trend views as well as Digital Inputs, USB and data logging options. It provides a cost-effective way to control a single process parameter, such as for a plastics extruder. Designed to improve user efficiency many features are integrated to reduce commissioning time, simplify operation and minimize maintenance downtime. Reliably auto-tune and alarm on strain gauge, DC voltage, temperature or current inputs.
Overview of Available Certificates and Approvals: Visit this link, which will take you to a page with a comprehensive list of current certificates and approvals for our products. Here, you can verify that our offerings meet the highest standards of quality and safety.
Discover the world of our online E-Learning page and find out how to streamline your daily use of our products. Our practical and comprehensive courses and informational materials will show you how to simplify and enhance the use of our technologies, uncover new information and techniques, and optimize work processes. With these resources, you'll achieve higher efficiency, save time, and improve your work results.
Our instructional videos offer an interactive way to learn about our products. Combining visual and auditory content, they provide practical solutions to common issues, saving you time and avoiding potential problems. If you encounter an issue, our video manuals offer detailed instructions and practical tips to help you resolve it. Available at any time, they provide a convenient resource that complements our technical support.
Our technical articles offer a practical way to learn more about our products and their use. They provide detailed information and practical tips on how to solve common problems, saving you time and helping you avoid potential issues. If you still encounter a problem, our technical articles offer specific instructions for solving it. They are available at any time and are a convenient source of information that complements our technical support.